Privacy Policy Cookie Policy

Pompa di Calore per Acqua Calda Sanitaria

Una pompa di calore per acqua calda sanitaria, anche conosciuta come scaldabagno a pompa di calore, viene installata all’interno, quindi in un locale tipo cantina, ripostiglio, sottotetto o garage. La pompa di calore trae circa il 70% dell’energia necessaria per la produzione di acqua calda dall’aria del locale in cui è installata. Quando la temperatura dell’aria di aspirazione scende al di sotto del limite delle condizioni di utilizzo (+7 o -7 °C), l’unità di controllo spegne automaticamente l’apparecchio e l’accumulo viene riscaldato da una resistenza elettrica, come avviene in un comune scaldabagno. Questo garantisce un funzionamento sicuro durante tutto l’anno. L’acqua contenuta nell’accumulo viene riscaldata a 60°C ad intervalli regolari al fine di prevenire la formazione del batterio della legionella. Se la pompa di calore è combinata con un impianto fotovoltaico, in caso di irraggiamento elevato, il valore massimo di temperatura dell’acqua calda può essere aumentato.

Scaldabagno a pompa di calore e solare termico

Impianto Solare Termico

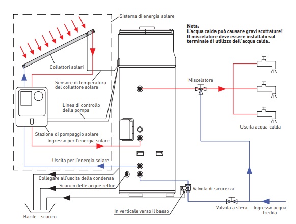
Un impianto solare termico sfrutta l’energia trasmessa con l’irraggiamento solare per produrre acqua calda. L’impianto è composto essenzialmente da alcuni pannelli e da un serbatoio, detto anche boiler. Il sole colpisce la superficie dei pannelli e riscalda un fluido vettore, che circola tra i pannelli e il serbatoio accumulando calore. Il serbatoio, poi, si comporta come una vera e propria caldaia, cedendo il calore del fluido per riscaldare l’acqua sanitaria che proviene dal proprio impianto domestico.

Sulla base del funzionamento dell’impianto e dell’impatto estetico, possiamo effettuare una prima distinzione tra Impianti a Circolazione Naturale e Impianti a Circolazione Forzata.

Finora abbiamo analizzato le possibilità di integrazione dello scaldabagno in pompa di calore con altri sistemi green per la produzione di energia elettrica.

Ma c’è un’altra fonte di energia integrabile con la pompa di calore dello scaldabagno, ed è il solare termico.

La tecnologia di un impianto solare termico si basa sui pannelli solari: costituiti da una speciale tecnologia, i pannelli incamerano il calore del sole, fornendo energia termica per produzione sanitaria o integrazione al riscaldamento dell’edificio

Unire pannelli solari e scaldabagno a pompa di calore permette quindi di avere a disposizione due fonti di calore gratuite e pulite.

Si tratta di fatto di un sistema ibrido tra scaldabagno a pompa di calore e solare termico che, a seconda delle necessità, dà la priorità alla fonte energetica più conveniente.

Se c’è poco sole, ad esempio, il sistema sfrutterà la pompa di calore; viceversa, in presenza di un buon irraggiamento, la pompa di calore cederà il passo ai pannelli solari, facendo risparmiare sui consumi di elettricità.

Quanto consuma uno scaldabagno a pompa di calore

Abbiamo già avuto modo di analizzare l’efficienza di uno scaldacqua a pompa di calore rispetto a uno scaldabagno a gas o a un boiler elettrico. Per portare ulteriori elementi utili alla comparazione, faremo un’analisi più dettagliata dei rispettivi consumi.

Come già sai, i consumi principali di uno scaldacqua a pompa di calore sono costituiti dall’impiego di energia elettrica necessaria per far funzionare il sistema della pompa di calore.

Questi consumi elettrici variano da modello a modello, ma possiamo dire che, in media, un boiler in pompa di calore da 200 litri, consuma poco più di 600 kWh in un anno.

Se consideriamo che, su per giù, il costo dell’energia elettrica nel mercato libero è 0,30€ a kWh, il costo annuo si attesta sui 180€-200€.

Si tratta di valori di molto inferiori rispetto a quelli di un boiler elettrico o di uno scaldabagno a gas.

I motivi sono intuibili: un boiler elettrico non ha nessun meccanismo che preleva calore dall’aria, quindi l’acqua sanitaria viene riscaldata solo dall’energia elettrica, arrivando a consumare fino a 3 volte di più rispetto al sistema con pompa di calore.

Un altro importante parametro per capire i benefici sui consumi di uno scaldabagno con pompa di calore è il COP, cioè il Coefficiente di Prestazione.

Lo abbiamo già nominato quando abbiamo parlato della resa di una pompa di calore aria-acqua in relazione alle temperature esterne.

Il COP misura il rapporto tra l’energia consumata e l’energia termica fornita all’ambiente. Più è alto il COP, più efficiente è una macchina.

Un COP uguale a 3 significa che assorbendo 1 kWh di corrente elettrica la macchina è in grado di fornire 3 kWh di calore all’ambiente.

Se confronti il COP degli scaldabagni a pompa di calore e dei boiler elettrici, scoprirai che il COP dei sistemi con pompa di calore è quasi sempre superiore a 2,6 o 3, mentre i tipici boiler elettrici hanno un COP massimo di circa 0,95.

Questo significa che, a parità di calore prodotto, gli scaldabagni a pompa di calore consumano sempre meno energia rispetto ai cugini elettrici.

Prestazioni e affidabilità di uno scaldabagno a pompa di calore

Abbiamo parlato di consumi e prestazioni, ma per darti un quadro completo, è giusto analizzare anche le caratteristiche di affidabilità dello scaldacqua a pompa di calore.

Potresti infatti avere dei dubbi sugli effettivi vantaggi di questo apparecchio in relazione alla disponibilità di acqua calda sanitaria e alla sua supposta rumorosità.

Come scoprirai tra poco, si tratta di dubbi che possiamo facilmente sciogliere.

 

Accumulo, tempi di reintegro e prestazioni del boiler a pompa di calore

Qualche paragrafo fa abbiamo parlato delle diverse dimensioni e capacità dei serbatoi di accumulo di uno scaldabagno a pompa di calore.

Per riassumere, abbiamo detto che nella scelta è importante valutare il fabbisogno di A.C.S. così da acquistare uno scaldabagno dotato del giusto serbatoio di accumulo per avere sempre a disposizione acqua calda da usare.

Se la capacità di accumulo del serbatoio non soddisfa il fabbisogno di A.C.S., il rischio di trovarsi senza acqua calda mentre si sta facendo una doccia è piuttosto concreto.

È noto che una pompa di calore non riesce infatti a produrre acqua calda sanitaria istantaneamente: motivo per cui è assolutamente necessaria la presenza di un serbatoio di accumulo abbastanza capiente da soddisfare le necessità di utilizzo di A.C.S. qualora si presentino anche in maniera importante.

Dal dimensionamento dell’accumulo dipende quindi la giusta erogazione di acqua calda e anche il tempo di recupero necessario tra una doccia e l’altra.

Facciamo un esempio pratico.

Supponiamo di possedere un serbatoio da 100 litri. Se in famiglia dobbiamo fare la doccia in 3, e a distanza ravvicinata, consumando a testa circa 50 litri di acqua, il terzo componente della famiglia rimarrà senza acqua calda disponibile, è matematico.

Egli dovrà quindi attendere che lo scaldabagno riscaldi nuova acqua.

Questo intervallo di tempo per scaldare nuova acqua si chiama in gergo tecnico tempo di reintegro.

I tempi di reintegro dipendono non solo dalla capacità di accumulo del serbatoio, ma anche dalla potenza del generatore: più esso è potente, minore è il tempo di reintegro.

Ovviamente, ci sono altri elementi che influiscono su questa tempistica: potremmo parlare anche di ricircolo, di portata d’acqua, di confronti tra potenze, ma evitiamo di scendere troppo nel tecnico, crediamo che il concetto sia chiaro.

Una cosa è importante però dire: uno scaldabagno a pompa di calore è tanto più affidabile quanto più viene progettato su misura delle necessità di un edificio e delle persone che usufruiscono di A.C.S..

Grazie alla consulenza di un tecnico, potrai avere maggiori informazioni su capacità di accumulo, tempi di reintegro, i litri al minuto necessari per una doccia o un bagno soddisfacenti, il numero di docce ravvicinate,… per essere sicuro di acquistare l’apparecchio più affidabile e giusto per le tue necessità.

Scaldabagno in pompa di calore e rumore

Passiamo ora a quello che viene comunemente considerato uno degli svantaggi principali di un boiler in pompa di calore: il supposto rumore della pompa di calore.

Le sorgenti di rumore in una pompa di calore sono due: il compressore e il ventilatore.

Insieme, queste due macchine portano a una rumorosità pari a 45 dB – poco più del tipico ronzio di un frigorifero.

Se consideriamo che lo scaldabagno con pompa di calore deve essere installato in locali tecnici appositi, quindi non abitati, appare chiaro quanto l’aspetto del rumore sia trascurabile.

Tuttavia, ci sono alcuni accorgimenti che possono contribuire ulteriormente ad annullare del tutto questo piccolo “svantaggio” della pompa di calore:

  • posizionare il macchinario in una posizione non solidale con la struttura dell’edificio, così da non propagare il rumore;
  • realizzare un basamento in grado di assorbire le vibrazioni del macchinario se installato a terra;
  • scegliere un serbatoio di acqua più capiente per non dover innescare più cicli di avvio, anch’essi fonte di rumore;
  • prediligere scaldacqua a pompa di calore a split, più silenzioso rispetto ai modelli monoblocco.

Riguardo quest’ultimo punto, ti farà piacere sapere che presto lanceremo un nuovo modello di pompa di calore a split a gas R290, un refrigerante contraddistinto da un’elevata efficienza e una spiccata eco compatibilità!

 

Impatto ambientale di uno scaldabagno a pompa di calore

Ora che abbiamo confutato alcune delle obiezioni più comuni legate al boiler in pompa di calore, non ci resta che analizzare un altro grande vantaggio di questo apparecchio, cioè il suo basso impatto ambientale.

Come abbiamo ampiamente detto, lo scaldabagno a pompa di calore permette di:

  • abbandonare le fonti di energia fossile;
  • ridurre il consumo di energia elettrica;
  • sfruttare l’energia termica gratuita dell’aria.

Scaldabagno a pompa di calore ed emissioni di CO2

Uno dei contributi più importanti dello scaldabagno a pompa di calore per la salvaguardia dell’ambiente è la riduzione delle emissioni di CO2.

La CO2 (anidride carbonica) rientra tra i gas ad effetto climalterante, ovvero i cosiddetti gas serra che contribuiscono all’aumento dell’effetto serra e del surriscaldamento globale.

Sappiamo che i tradizionali scaldabagni a condensazione impiegano gas combustibile per il riscaldamento dell’acqua. Com’è noto, il gas è una fonte di energia fossile che, sebbene più pulita rispetto a carbone o petrolio, impatta ugualmente sull’ambiente.

La produzione di calore con gas avviene infatti attraverso la combustione, che emette sempre una certa quantità di CO2 nell’ambiente.

Per il riscaldamento dell’acqua, i boiler in pompa di calore non utilizzano il gas ma il calore proveniente dall’aria, quindi non vi è alcuna combustione. Per questo uno scaldabagno a pompa di calore contribuisce a non aumentare le emissioni di CO2.

Tuttavia, qualcuno potrebbe obiettare che l’elettricità utilizzata per far funzionare lo scaldabagno a pompa di calore è comunque prodotta da gas e altre fonti non rinnovabili. Effettivamente, l’energia elettrica che usiamo tutti i giorni nelle nostre case dipende ancora per il 38,6% da combustibili fossili (dati Eurostat). Dire dunque che la pompa di calore non produce alcun tipo di emissione corrisponde a una mezza verità.

Il problema può essere facilmente risolto collegando lo scaldabagno a pompa di calore a un impianto fotovoltaico.

Poiché lo scaldabagno in pompa di calore ha bisogno di poca energia elettrica (la nostra AGUAmax, ad esempio, assorbe solo 600 W), anche un piccolo impianto fotovoltaico è in grado di garantire la giusta quantità di energia elettrica prodotta dal sole per il funzionamento dell’intero sistema di produzione di A.C.S.: un ottimo modo per disporre per tutto l’anno di acqua calda sanitaria, prodotta in modo ecosostenibile e, tra l’altro, completamente gratuito!

Secondo l’ultimo rapporto di IEA (International Energy Agency), le pompe di calore e i macchinari che sfruttano questa tecnologia saranno fondamentali per abbattere le emissioni di gas serra, rendendo la produzione di calore più pulita, più conveniente e più sicura per il nostro futuro.

0
    0
    Your Cart
    Your cart is emptyReturn to Shop